⚙️خدمات تراشکاری تولید قطعات صنعتی
⚙️ شرکت صنعتی امید با سالها تجربه در زمینهی تراشکاری قطعات صنعتی در اصفهان، آماده ارائه بهترین خدمات به صنایع مختلف کشور است. 🏭
🧰 ما با بهرهگیری از ماشینآلات دقیق و مدرن، قطعات فلزی و صنعتی را با بالاترین دقت و کیفیت تولید میکنیم.
🔩 خدمات تراش CNC، فرزکاری، سوراخکاری و برادهبرداری با دستگاههای پیشرفته در محیطی کاملاً صنعتی انجام میشود.
👨🏭 تیم متخصص و مجرب ما، تضمینکننده کیفیت و دقت در هر پروژه کوچک یا بزرگ است.
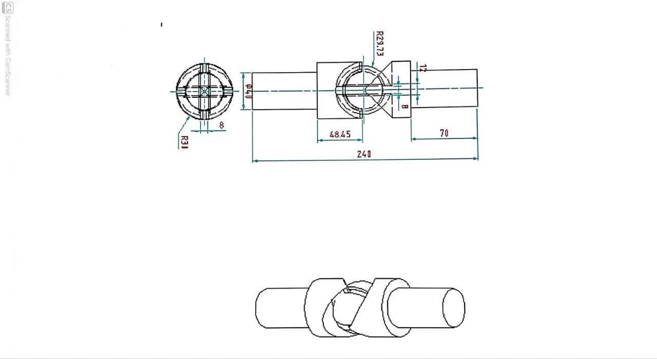
تراشکاری قطعات صنعتی با دستگاه صفحه تراش ، ماشین تراش و فرز
تهیه نقشه های صنعتی
ساخت انواع مبلمان شهری
🧠 طراحی و ساخت انواع قطعات صنعتی طبق نقشه و سفارش مشتری در کوتاهترین زمان ممکن انجام میگیرد.
🚀 ما به دقت، سرعت و رضایت مشتری به عنوان سه اصل طلایی در کار خود پایبندیم.
🛠 تولید قطعات دقیق برای صنایع نفت، گاز، پتروشیمی، خودروسازی و ماشینسازی از تخصصهای اصلی ماست.
📐 ساخت و تراش شافت، بوش، چرخدنده، پولی، فلنج و انواع قطعات مکانیکی با متریال متنوع انجام میپذیرد.
🔧 استفاده از فولادهای آلیاژی، برنج، آلومینیوم و استنلس استیل، دوام و ماندگاری محصولات ما را تضمین میکند.
💬 مشاوره فنی رایگان جهت انتخاب متریال و بهبود طراحی قطعه قبل از تولید نهایی.
🕒 تحویل بهموقع سفارشات طبق زمانبندی دقیق، تعهد ما به مشتریان گرامی است.
📈 کنترل کیفیت دقیق در تمامی مراحل تراشکاری برای تضمین استانداردهای صنعتی بینالمللی.
🌍 همکاری با شرکتها و کارخانههای معتبر در سراسر ایران افتخار ماست.
⚡️ خدمات فوری و سفارشی برای پروژههای خاص و اورژانسی نیز پذیرفته میشود.
🧾 امکان صدور فاکتور رسمی و قرارداد همکاری بلندمدت برای شرکتها و واحدهای تولیدی.
📍 موقعیت عالی در شهرک صنعتی اصفهان، دسترسی آسان برای مشتریان از سراسر استان.
📞 جهت مشاوره، استعلام قیمت و ثبت سفارش با کارشناسان ما در تماس باشید.
🤝 اعتماد شما سرمایه ماست و کیفیت، هدف همیشگی ما.
🔩 تجربه کنید دقت و مهندسی واقعی در تراشکاری صنعتی را با شرکت صنعتی امید.
🌟 ما به جای شعار، با کیفیت و زمانبندی دقیق حرف میزنیم!









.jpeg&w=3840&q=75)
.jpeg&w=3840&q=75)
.jpeg&w=3840&q=75)
